行业动态
开方孔、切直角产品为何要做圆角?
- 作者:
- 发布时间:2026-02-09 05:03:23
- 点击:

很多的石材产品都要开方孔、切直角(L形角),尤其台面板产品更是如此。
开孔是为了安装各种电器件设施、安装管路、消防门、检修门、洗手台盆、窗台板等东西。有经验的石材人清楚,开方孔、切直角的产品加工时最好在转角处加工一个R10以上的圆角,如果没有这么一个转角,产品较容易从转角处断裂。
从事过微晶石产品、陶瓷产品、玻璃制品加工的人清楚这个道理,因为这些产品经过高温窑炉烧制,存在大量的应力。当它们开孔,切直角时因为有了应力的释放口,首先从这些口处释放应力,由此导致开孔、切直角的产品会从开孔的转角、直角处开裂,从而导致产品的报废。
石材也是经历过高温,地质力作用形成的材料,其内部也如同微晶石、陶瓷、玻璃存在应力,因此,石材产品在开孔、切割直角的时候同样存在应力集中现象。由于集中应力的存在,石材产品在开孔、切割直角时要注意削减、甚至消除应力集中,以保证石材产品不会在开口处、转角处断裂。
01
应力集中的概念、定义
所谓“应力集中”是指在物体的表面或内部,由于形状、几何细节或载荷变化等因素,导致物体一部分的应力值显著大于周围区域的情况。
应力集中通常发生在构件几何形状改变的部分,如圆角、锐角、孔洞、缺口等,并且应力集中程度还受到负载的分布、大小和方向等因素的影响。一旦应力集中,会使这个区域的应力大幅增加,容易导致裂纹或疲劳破坏等问题,进一步影响整个构件的性能和寿命。
为了避免应力集中,产品设计的工程师会采用一些措施,比如改变构件的形状、增加逐渐过渡区域、选择合理的材料和断面等。在实际工程中,应力集中问题需要进行分析和预估,并对设计进行改进,才能确保构件的安全可靠和寿命长久。
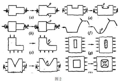
图1阐述了应力集中的概念,并给出了图示;图2给出了出现应力集中各种孔的形状。


02
石材产品加工时出现应力集中的产品
图3~图8这些开孔的石材产品均因开孔会产生应力集中现象,尤其是开直角的产品应力集中的程度会更高。图7圆形有孔相比方形的孔应力集中程度相对较小,应力分布均匀;图8的浴缸台板在转角处都有小圆角,其目的是为了削减、降低应力集中程度的,使转角处不出现太高的应力导致浴缸面板的断裂。



03
如何减少或消除应力集中?
石材产品开孔无法避免的,因此当石材产品确实需要开孔、开L型直角的时候我们可以通过设计方法、加工工艺来尽量减少在转角处的应力集中,避免出现高于石材本身应力几倍、甚至数十倍的应力,从而导致石材产品因过高的应力断裂。
图9浴缸面板的盆孔设计很好,在直角转角处设计了一个R50的圆连接相邻两边,从而避免了高位的应力集中,起到避免浴缸台面在转角处断裂的作用。

图10的白沙米黄台面板同样在台盆孔处设计了一个R20的圆角,减少在转角处应力集中。

图11与图12是岩板台面板。岩板台面板加工台盆孔时很容易出现类似于瓷砖爆裂的现象,这是应力集导致的。如果台盆孔的直角处不设计一个R转角,岩板多会从转角处断裂,爆裂。因此,图11与图12的岩板台面板均设计了一具R20的转角。

图13的台面板台盆孔处设计了圆转角,而在L型开口处却没有这样做。按照应力集中的理论,此处易出出应力集中,应该做个R角用于削减此处的应力集中程度。

安装台盆的石材台面板的台盆孔应该按图14在转角处设计一个R圆角更好,减少和降低在转角处的应力集中程度,避免在台面板在转角处断裂。然则,很多的设计师并不懂得这个道理;图15台盆孔在转角处也设计了一个R15的圆角。


读者朋友注意看图16~图19这件L型台面板AutoCAD的差别。这是恒大地产的住宅项目用的普遍、最多的人造石洗手台台板。图16为恒大的原始设计方案,石材加工企业接到这种设计方案后向恒大地产提出因为A点处应力集中容易断裂,提出了图17、图18的深化方案,建议转角处设计成R10、R30的圆角。多数的石材加工企业建议图18的加工方案。恒大否定了图17、图18的方案,但综合图17与图18的方案,提出了图19的方案:R5圆角+背面加贴人造石加固。如果按图16的方案加工,因为在A点处的应力集中,导致台面板从A点处断裂,按图18的方案加工大大降低了该台面板因为应力集中断裂风险了。
作者:晏辉
