行业动态
10种室内石材安装常见构造做法,室内石材应用案例!
- 作者:
- 发布时间:2026-02-08 12:01:27
- 点击:

石材在室内装修中占据着重要的地位,天然的纹理与质感让它能胜任各种风格的装饰。
而石材深化对施工安装有很大的影响,深化已经决定了加工,然后再决定了施工的结构,方法及安全。

本文将主要介绍室内常用的大理石施工结构,对墙体结构,辅材用料,结构预留位置等关键技术要点一一讲解,让大家更好的学习到自己想要的东西。

1、地面水泥铺贴:
下图为地面水泥结构剖面,水泥地面到大理石完成面≥50mm,使用1:3干湿性砂浆,大理石板底水泥浆粘接层。适用地面,楼梯等铺贴位置。


2、墙面胶泥湿贴:
◆完成面:下图为墙面胶泥铺贴,水泥基底到石材完成面>25mm;适合卫生间墙面和厨房墙面两个空间部位,因潮湿最好不用干挂及点挂结构。
◆辅材:a.大理石专用胶泥,b.湿贴防脱落挂件;
◆满足施工条件:洗手间和厨房需要做好防水漏水处理。


湿贴防脱落挂件


3、木板底施工结构:
◆完成面:木板到石材完成面≥22mm,这样基于石材厚度如果15mm,那剩余调节胶水内空为5mm,如果石材厚度为18mm,那内空胶水调节位置为4mm,完全符合安装要求;
◆辅材:a.自攻螺丝,b.云石胶,c.干挂胶AB胶,d.结构胶,e.铜线
◆满足施工条件:建议高度不超过3000mm,空心砖,泡沫砖选用木板基底施工工艺。


4、膨胀螺丝点挂:
◆完成面:水泥基底到石材完成面≥35mm;
◆辅材:a.不锈钢膨胀螺丝,b.云石胶,c.干挂AB胶;
◆满足施工条件:混凝土墙,实心砖墙,高度建议不超过3000mm。


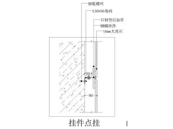
5、干挂件点挂:(蝴蝶挂件)
◆完成面:水泥基底到石材完成面≥90mm;
◆辅材:a.不锈钢膨胀螺丝,b.不锈钢蝴蝶挂件,c.云石胶,d.干挂AB胶;
◆满足施工条件:混凝土墙,实心砖墙,高度建议不超过3000mm。
说明:水平缝位置为拉槽处理工艺,如果采用蝴蝶挂件,板底背面需要粘接花岗岩石材增加厚度,利于挂件的开槽机安装。



6、干挂件点挂:(飘件)
◆完成面:水泥基底到石材完成面≥90mm;
◆辅材:a.不锈钢膨胀螺丝,b.不锈钢干挂飘件,c.云石胶,d.干挂AB胶;
◆满足施工条件:混凝土墙,实心砖墙,高度建议不超过3000mm。
说明:水平缝位置为拉槽处理工艺,本施工工艺干挂飘件在平缝上下各加挂件。


7、内焊钢结构(蝴蝶件)
◆完成面:水泥基底到石材完成面≥90mm;
◆辅材:a.不锈钢膨胀螺丝,b.不锈钢干挂飘件,c.云石胶,d.干挂AB胶,∠50角钢,主龙骨及次龙骨;
◆满足施工条件:空心砖及泡沫砖,高度超过3000mm建议用钢架结构。
说明:水平缝位置为拉槽处理工艺,如果采用蝴蝶挂件,板底背面需要粘接花岗岩石材增加厚度,利于挂件的开槽机安装。


8、内焊干挂结构:(飘件)
◆完成面:水泥基底到石材完成面≥90mm;
◆辅材:a.不锈钢膨胀螺丝,b.不锈钢干挂飘件,c.云石胶,d.干挂AB胶,∠50角钢,主龙骨及次龙骨;
◆满足施工条件:空心砖及泡沫砖,高度超过3000mm建议用钢架结构。
说明:水平缝位置为拉槽处理工艺,本施工工艺干挂飘件在平缝上下各加挂件。


9、外焊钢结构(蝴蝶件)
◆完成面:水泥基底到石材完成面≥140mm;
◆辅材:a.不锈钢膨胀螺丝,b.不锈钢干挂飘件,c.云石胶,d.干挂AB胶,6#槽钢主龙骨及∠50角钢次龙骨;
◆满足施工条件:空心砖及泡沫砖,高度超过3000mm建议用钢架结构。
说明:水平缝位置为拉槽处理工艺,如果采用蝴蝶挂件,板底背面需要粘接花岗岩石材增加厚度,利于挂件的开槽机安装。


10、外焊钢结构(飘件)
◆完成面:水泥基底到石材完成面≥152mm;
◆辅材:a.不锈钢膨胀螺丝,b.不锈钢干挂飘件,c.云石胶,d.干挂AB胶,6#槽钢主龙骨及∠50角钢次龙骨;
◆满足施工条件:空心砖及泡沫砖,高度超过3000mm建议用钢架结构。
说明:水平缝位置为拉槽处理工艺,本施工工艺干挂飘件在平缝上下各加挂件。


最后一起来欣赏,石材在室内的应用案例,一起感受石材是如何提升空间的奢华与高级的。












